- -15%
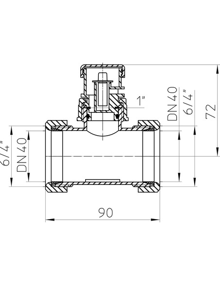
Клапан вентиляционный HL902T/40
Срок поставки: от 3 до 7 дней
Диаметр: 40 х 6/4"
Вентиляционный клапан HL 902T/40 устанавливаемый на невентилируемые канализационные стояки предназначен для предотвращения срыва гидрозатвора с санитарнотехнических приборов, а также для предотвращения попадания загрязненного воздуха из канализационной сети в помещения.
Принцип действия:
При сливе воды через сантехнические приборы в канализационном стояке создается зона разрежения. За счет этого мембрана в вентиляционном клапане HL 902T/40 поднимается, и в стояк поступает воздух, что обеспечивает нормальную и бесшумную работу канализационной сети. При выравнивании внешнего давления воздуха и давления в канализационной сети мембрана в вентиляционном клапане HL 902T/40 под действием собственного веса опускается и закрывает вентиляционный клапан, и таким образом препятствует проникновению запахов из канализации в жилые помещения.
В 1950 году два целеустремлённых молодых человека L. Hutterer и V. Lechner основали новую компанию, которая специализировалась на производстве канализационного оборудования для бытовых водосточных систем и компаний химической отрасли. Огромный технический и коммерческий потенциал помог им организовать процветающую корпорацию, которая смогла полностью удовлетворить потребности расширяющегося рынка.
Шагая в ногу со временем, предприятие одним из первых начало применять полимерные материалы для производства инженерного сантехнического оборудования. Были внедрены инновационные технологии и передовые разработки в данной области. Это дало новый мощный толчок для развития Hutterer & Lechner GmbH и позволило фирме завоевать новые рынки сбыта.
Изначально производство было сосредоточено в небольшом цехе, но в течение последующих нескольких лет были выкуплены новые фабричные территории, которые впоследствии только расширялись. На сегодняшний день производственные цеха компании Hutterer & Lechner GmbH размещаются на территории площадью более 15000 кв. м и оборудованы самым передовым оборудованием.
В арсенале предприятия присутствуют уникальные инструменты, современные формовочные цеха и специальная техника для производства оборудования. Кроме того, на производственной территории размещено опытное производство, в котором недавно разработанные изделия подвергаются испытаниям, необходимым для запуска в серию.
Сейчас Hutterer & Lechner GmbH производит не менее 600 видов устройств для канализационных систем. Разнообразие оборудования дает возможность проектным и строительным организациям не подстраиваться под определенные требования, а использовать именно те модели сантехнического оборудования, которые необходимы на объекте. И не важно, трап это, канализационный затвор, кровельная воронка, сифон или дождеприемник.
Вся продукция тестируется автоматически и только при условии успешного прохождения теста поступает к конечному потребителю. На предприятии из года в год повышают качество выпускаемых товаров и культуру производства. В 1995 году это подтверждено сертификатом качества ISO 9001. Оборудование компании Hutterer & Lechner поставляется в страны Восточной и Западной Европы. На протяжении более чем 10 лет товары торговой марки HL успешно эксплуатируется на объектах в России.
 
   
			 
                 
                 
                         
                        