Затвор канализационный HL720 Ø200
Затвор канализационный HL720 Ø200
  • -15%
Затвор канализационный HL720 Ø200
Затвор канализационный HL720 Ø200
Снижение цены
Уважаемые клиенты!

Цена действительна при оплате за наличный расчет или при оплате по QR-коду в счете. При безналичном расчете или оплате картой +3% к стоимости товара.

Затвор канализационный HL720 Ø200

HL 720
46 580,00 ₽ 54 800,00 ₽ -15%

Срок поставки: от 3 до 7 дней
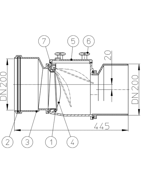
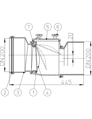
Диаметр: 200 мм
Раб. температура: до 60°С
Макс. температура (2-4ч): 80°С
ШхВхД: 275х250х445 мм
Срок службы: не менее 50 лет

 

Механический канализационный затвор HL 720 предназначен для предотвращения затопления помещений при возникновении подпора в наружной канализационной сети вследствие засора или подтопления.

Принцип действия:
При отсутствии стоков заслонка всегда находится в вертикальном положении и затвор закрыт. При сливе канализационные стоки, проходя через канализационный затвор, открывают заслонку, которая отклоняется от вертикальной оси. При окончании слива заслонка под действием силы тяжести возвращается в исходное положение и закрывается.

Особенности монтажа:
Механический канализационный затвор устанавливается строго горизонтально - либо в подвале здания (перед выходом внутренней канализационной магистрали во внешнюю), - либо в приямке снаружи здания. Таким образом, механический канализационный затвор отделяет внутреннюю канализационную сеть здания от внешней канализационной сети.
Входной и выпускной патрубки затвора HL 720 предназначены для соединения с любой канализационной раструбной трубой из ПВХ или ПП (REHAU, WAVIN и т.д.). Если для канализации применяются стальная или чугунная безраструбная труба (SML), необходимо использовать переходник с ПП/ПВХ на Чугун/Сталь (HL9).

Обслуживание:
Ревизионная крышка используется для обслуживания затвора, а также для прочистки горизонтального участка от затвора до приемного колодца наружной канализационной сети в случае засора. Ревизионная крышка крепится к корпусу затвора при помощи четырех крепежных элементов. Каждый крепежный элемент представляет собой цилиндр из ABS с профилированными наплывами в верхней части, для удобства закручивания и откручивания вручную (без помощи инструментов).

ВНИМАНИЕ!
Так как канализация безнапорная и скорость движения канализационных стоков очень мала, то под заслонкой может образовываться грязевой буртик, препятствующий полному закрытию заслонки. В зависимости от загруженности канализационной магистрали затвор необходимо периодически промывать большим количеством воды. Это особенно актуально делать весной, перед интенсивным таяньем снега, и осенью, перед наступлением обильных осадков.

Акция
по промокоду
Тип оборудования
затвор канализационный

В 1950 году два целеустремлённых молодых человека L. Hutterer и V. Lechner основали новую компанию, которая специализировалась на производстве канализационного оборудования для бытовых водосточных систем и компаний химической отрасли. Огромный технический и коммерческий потенциал помог им организовать процветающую корпорацию, которая смогла полностью удовлетворить потребности расширяющегося рынка.

Шагая в ногу со временем, предприятие одним из первых начало применять полимерные материалы для производства инженерного сантехнического оборудования. Были внедрены инновационные технологии и передовые разработки в данной области. Это дало новый мощный толчок для развития Hutterer & Lechner GmbH и позволило фирме завоевать новые рынки сбыта.

Изначально производство было сосредоточено в небольшом цехе, но в течение последующих нескольких лет были выкуплены новые фабричные территории, которые впоследствии только расширялись. На сегодняшний день производственные цеха компании Hutterer & Lechner GmbH размещаются на территории площадью более 15000 кв. м и оборудованы самым передовым оборудованием.

В арсенале предприятия присутствуют уникальные инструменты, современные формовочные цеха и специальная техника для производства оборудования. Кроме того, на производственной территории размещено опытное производство, в котором недавно разработанные изделия подвергаются испытаниям, необходимым для запуска в серию.

Сейчас Hutterer & Lechner GmbH производит не менее 600 видов устройств для канализационных систем. Разнообразие оборудования дает возможность проектным и строительным организациям не подстраиваться под определенные требования, а использовать именно те модели сантехнического оборудования, которые необходимы на объекте. И не важно, трап это, канализационный затвор, кровельная воронка, сифон или дождеприемник.

Вся продукция тестируется автоматически и только при условии успешного прохождения теста поступает к конечному потребителю. На предприятии из года в год повышают качество выпускаемых товаров и культуру производства. В 1995 году это подтверждено сертификатом качества ISO 9001. Оборудование компании Hutterer & Lechner поставляется в страны Восточной и Западной Европы. На протяжении более чем 10 лет товары торговой марки HL успешно эксплуатируется на объектах в России.

Товар добавлен в список желаний
Товар добавлен в сравнение