Канализационная установка Grundfos Sololift2 CWC-3
Канализационная установка Grundfos Sololift2 CWC-3
Канализационная установка Grundfos Sololift2 CWC-3
Канализационная установка Grundfos Sololift2 CWC-3
Канализационная установка Grundfos Sololift2 CWC-3
Канализационная установка Grundfos Sololift2 CWC-3
Уважаемые клиенты!

Цена действительна при оплате за наличный расчет или при оплате по QR-коду в счете. При безналичном расчете или оплате картой +3% к стоимости товара.

Канализационная установка Grundfos Sololift2 CWC-3

97775316
97 830,00 ₽

Канализационная насосная установка
Срок доставки: в наличии
Вход насоса: 1 х 32/40, 2 х 40/50, DN 100
Выход насоса: 22/25/28/32/40
Максимальный напор: 8,5 м
Пропускная способность: 8,22 куб. м/час
Максимальная температура: 50 °C
Потребляемая мощность: 620 Вт
Для настенного унитаза
Гарантия: 2 года

 

   Канализационная насосная установка Grundfos Sololift2 CWC-3 - малогабаритная, полностью укомплектованная и готовая к монтажу канализационная насосная установка для перекачивания хозяйственно-бытовых сточных вод от тех помещений в частных домах, от которых сточные воды нельзя направить в канализацию самотеком.
   Sololift2 CWC-3 обычно используется для настенных туалетов, душевых кабинок и умывальников в полуподвальных помещениях ниже уровня канализации, или в связи с ремонтом или модернизацией существующих зданий, когда месторасположение может быть на удалении от главного канализационного стояка настолько, что нельзя установить естественный уклон.
   Низкие уровни включения/выключения подходят даже при использовании с душевым поддоном. Sololift2 CWC-3 подходит для установки в полости за настенным туалетом. Данная канализационная насосная установка подходит не только для перекачивания сточных вод от душевых кабинок и умывальников, а также канализационной воды от туалета, содержащей туалетную бумагу и фекалии. Перекачивание жидкостей, в которых содержатся другие включения, может привести к отказам и ограничению нашей гарантии.
  
   Компактная канализационная насосная Grundfos Sololift2 CWC-3 установка укомплектована:
   • Кабелем со штекером (смотрите технические данные)
   • Горизонтальным или вертикальным подключением напорного патрубка с несколькими переходниками для труб диаметром Ø22-40 мм
   • Встроенным обратным клапаном
   • Электродвигателем «сухого» исполнения, с высоким КПД, включая тепловую защиту, реле давления и контроллер
   • Соединительным шлангом для туалета DN100
   • Приемными патрубками-эксцентриками (регулируемыми по высоте) для труб диаметром Ø36 или 40
   • Разъемом для платы сигнализации с зуммером (принадлежность)
   • Функцией ручной защиты от засорения и отдельным дренажным подключением для обслуживания
   • Выпускным клапаном с защитой от перелива
   • Проушинами для фиксации и монтажа

Писсуар
да
Тип оборудования
насос канализационный
Напряжение сети, В
220
Управление
автоматическое
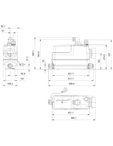
Высота, мм
368,1
Ширина, мм
164,2
Вес, кг
8,09
Гарантия, лет
2
Тип насоса
поверхностный
Тип поверхностного насоса
канализационная установка
Модель
Sololift
Максимальный напор, м
8,5
Пропускная способность Kv, м3/ч
8,22
Качество воды
грязная
Потребляемая мощность, Вт
620
Тип ротора
сухой
Максимальная температура воды, °С
50
Тип выключателя
электронный
Защита от перегрева
да
Страна изготовитель
Евросоюз
Режущая насадка
да
Умывальник
да
Душевая кабина
да
Биде
да
Выход насоса, мм
22/25/28/32/40
Вход насоса, мм
DN 100, 1 x 32/40 сверху, 2 x 40/50 на левой и правой сторонах резервуара
Унитаз напольный
нет
Унитаз настенный
да
Ванная
нет
Кухонная мойка
нет
Стиральная/посудомоечная машина
нет

Концерн Grundfos был основан в 1945 г. Полем Ду Йенсеном (Poul Due Jensen). На сегодняшний день концерн Grundfos является одним из ведущих мировых производителей насосного оборудования и производит и продает более 16 миллионов насосов и насосных установок в год. Доля циркуляционных насосов в соответствующем секторе мирового рынка доходит до 50 процентов.

 Официальным владельцем компании Grundfos является холдинг Grundfos Holding. Фонду Поля Ду Йенсена принадлежит около 88 % акции холдинга Grundfos Holding. Сотрудникам компании Grundfos принадлежит 1,5 процента акций, а членам семьи основателя — оставшиеся 10,5 процентов. Такая структура владения означает, что компания Grundfos финансово независимая.

 Целью Фонда Поля Ду Йенсена является обеспечение непрерывного развития группы компаний Grundfos. Вся прибыль повторно инвестируется в компании.

 В состав Grundfos входит свыше 80 подразделений в 56 странах, в которых работают более 19 000 сотрудников. Кроме того, во многих странах действуют региональные дистрибьюторские центры по продажам продукции Grundfos.

 В 2014 г. товарооборот компании составил 3,1 миллиарда евро, а прибыль до уплаты налогов — 118 миллионов евро. Каждый год приблизительно 5 % от общего оборота инвестируются в исследования и разработки в целях сохранения лидирующего положения на рынке.

Товар добавлен в список желаний
Товар добавлен в сравнение